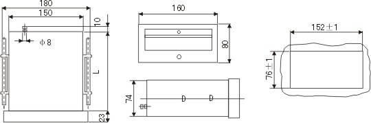
矩形膜盒壓力表

- AK-SX7083流量積算儀
 - ◆ 本儀表適合于蒸汽和一般氣體的測量,可用于內部計量和貿易計量。 ◆ 本儀表符合新版流量積算儀檢定規程《JJG1003-2016》 ◆ 本安裝使用手冊是以具備一定的流量計經驗知識為對象編寫的,使
 

- 數顯壓力表
 - AK-SXYLB數字壓力表為全電子結構。前端采用高精度壓阻式壓力傳感器,輸出信號由高精度,低溫漂的放大器放大處理,送入高精度的A/D轉換器,轉換成微處理器可以處理的數字信號,經過運算處理,
 

- 乙酸乙酯液位計
 - 乙酸乙酯液位計是公司引進吸收國外同類產品,并加以提高的產品。系列產品可以做到高密封、防泄漏和在高溫、高壓、高粘度、強腐蝕性條件下可靠地測量液位,全過程測量無盲區
 
矩形膜盒壓力表
		
	
| 
					 
						  | 
			||||||||||||||||||||||||||||||||||||||||
| 
					 
						    YEJ-101型矩形膜盒壓力表適用于鍋爐通風設備等對銅合金不起侵蝕作用的和中性、無爆炸危險的氣體微壓和負壓進行測量。  | 
			||||||||||||||||||||||||||||||||||||||||
| 
					 
						  | 
			||||||||||||||||||||||||||||||||||||||||
| 
					 
						    精確度等級:2.5  | 
			||||||||||||||||||||||||||||||||||||||||
					
 
  | 
				
					 
						  | 
			|||||||||||||||||||||||||||||||||||||||
| 
					 
						    重量:  | 
			||||||||||||||||||||||||||||||||||||||||
| 
					 
						  | 
			||||||||||||||||||||||||||||||||||||||||
| 
					 單位:mm  | 
			||||||||||||||||||||||||||||||||||||||||
| 
					 
						  | 
			||||||||||||||||||||||||||||||||||||||||
					
 
  | 
			||||||||||||||||||||||||||||||||||||||||
| 
					 
						  | 
			||||||||||||||||||||||||||||||||||||||||
| 
					 YEJ-121  | 
			||||||||||||||||||||||||||||||||||||||||
| 
					 
						  | 
			||||||||||||||||||||||||||||||||||||||||
		
	
相關資訊
聯系奧科
固話:0517-86919886
傳真:0517-86919886
手機:15261725556
地址:江蘇金湖縣工業園區工一路



					
					