膜片壓力表

- AK-SX7083流量積算儀
 - ◆ 本儀表適合于蒸汽和一般氣體的測量,可用于內部計量和貿易計量。 ◆ 本儀表符合新版流量積算儀檢定規程《JJG1003-2016》 ◆ 本安裝使用手冊是以具備一定的流量計經驗知識為對象編寫的,使
 

- 數顯壓力表
 - AK-SXYLB數字壓力表為全電子結構。前端采用高精度壓阻式壓力傳感器,輸出信號由高精度,低溫漂的放大器放大處理,送入高精度的A/D轉換器,轉換成微處理器可以處理的數字信號,經過運算處理,
 

- 乙酸乙酯液位計
 - 乙酸乙酯液位計是公司引進吸收國外同類產品,并加以提高的產品。系列產品可以做到高密封、防泄漏和在高溫、高壓、高粘度、強腐蝕性條件下可靠地測量液位,全過程測量無盲區
 
膜片壓力表
		
	
| 
					 
						  | 
			||||||||||||||||||||||||||||||||||||||||||||||||||||||
| 
					 
						YPF  | 
			||||||||||||||||||||||||||||||||||||||||||||||||||||||
| 
					 
						  | 
			||||||||||||||||||||||||||||||||||||||||||||||||||||||
| 
					 
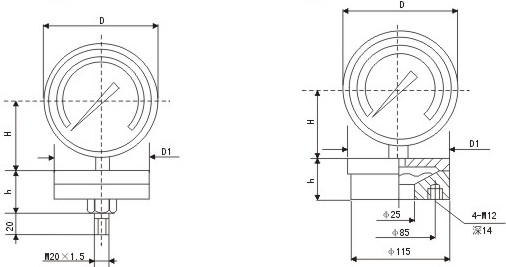
						    膜片壓力表適用于測量有一定腐蝕性、粘稠介質和非結晶及非凝固的各種流體介質的壓力或負壓。  | 
			||||||||||||||||||||||||||||||||||||||||||||||||||||||
| 
					 
						  | 
			||||||||||||||||||||||||||||||||||||||||||||||||||||||
| 
					 
						    儀表由測量系統(包括接頭、法蘭、膜片)、傳動機構、指示裝置和外殼組成。  | 
			||||||||||||||||||||||||||||||||||||||||||||||||||||||
| 
					 
						  | 
			||||||||||||||||||||||||||||||||||||||||||||||||||||||
| 
					 ● 測量范圍、承壓部尺寸  | 
			||||||||||||||||||||||||||||||||||||||||||||||||||||||
					
 
  | 
			||||||||||||||||||||||||||||||||||||||||||||||||||||||
| 
					 
						    注:0~40,-40~0,±20KPa規格承壓部尺寸D1;為φ85  | 
			||||||||||||||||||||||||||||||||||||||||||||||||||||||
					
 
  | 
			||||||||||||||||||||||||||||||||||||||||||||||||||||||
<
		
	
相關資訊
聯系奧科
固話:0517-86919886
傳真:0517-86919886
手機:15261725556
地址:江蘇金湖縣工業園區工一路



					
									
									